Cигнализации DSC РС1404 запрограммирована на заводе, но при первом включении выдает несколько ошибок так как:
сбой системных часов (8 тип ошибки);
не запрограммированы номера телефоном (3 тип ошибки);
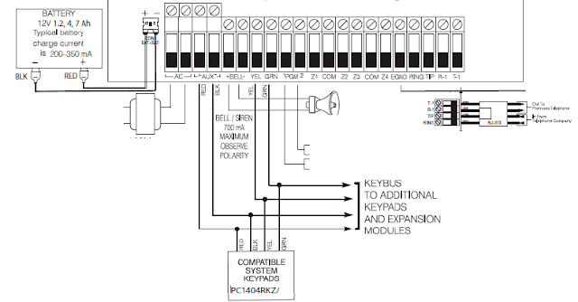
если при не подключенной сирены вместо сирены не подключен резистор в 1 КОм (2 тип ошибки)
Просмотр неисправностей
При нажатии кнопки [#], звуковая индикация неисправности выключается, но неисправность не снимается.
Для просмотра типа неисправности наберите [*][2]. Один или более индикаторов зон включатся, показывая типы неисправностей.
ТИП НЕИСПРАВНОСТИ
1 Требуется обслуживание. Вызовите установщика или сервисную службу.
2 Показывает отсутствие сетевого питания. При наличии этой неисправности
индикатор неисправности включится, но зуммер пульта не будет давать сигналов,
пока не разрядится аккумулятор
3 Неисправность телефонной линии
4 Сбой передачи сообщения на центральный пульт
5 Сбой зоны. Нажмите [5], включится индикатор неисправной зоны.
6 Темпер зоны. Нажмите [6], включится индикатор зоны с нарушенным темпером
7 Не используется
8 Сбой системных часов. Для установки системный часов смотрите главу
«Установка даты и времени»
Устранение неисправностей:
вместо сирены подключаем резистор в 1 КОм (я его оставил постоянно подключенным)
Установка даты и времени
Для установки даты и времени наберите [*][6], потом введите Мастер код. Нажмите [1]. Теперь на клавиатуре можно ввести 10 цифр:
• Введите время в часах и минутах, используя формат 24 часа (от 00:00 до 23:59)
• Введите дату: месяц, день и год (ММ ДД ГГ).
[*][6][Мастер код][1][1005021209]
Необходимо изменить следующие коды доступа:
Для программирования мастер кода введите:
[*][5][Текущий Мастер код][40][Новый Мастер код]. Нажмите [#] для возврата в режим готовности.
Коды доступа:
Для программирования нового кода:
Введите [*][5][Мастер код][номер кода от 01 до 39][новый код доступа]. Номер кода состоит из 2 цифр от 01 до 39. Коды доступа могут быть 4 или 6 цифр, как задано установщиком. Нажмите [#] для выхода в режим готовности.
Конфигуразия охранной системы производится программированием Установщика
Когда система снята с охраны, наберите [*][8][Код установщика] для входа в программирование Установщика.
Примечание: для входа в ячейку программирования требуется ввод 3 цифр ее номера. Если сделана ошибка при вводе номера ячейки программирования, нажмите [#] для отмены ввода. Если, вместо номера ячейки нажать [#], система возвращается в предыдущее меню.
В программировании Установщика система остается 20 минут, после последнего нажатия кнопки.
Заводская установка кода установщика [5555]
На пульте с индикаторами зон или на пульте с символьным ЖКИ:
1. Наберите [*][8][Код установщика]
Индикатор PROGRAM или SYSTEM (на PC1555RKZ) будет мигать, показывая, что вы находитесь в режиме программирования.
Индикатор ARMED включится, показывая, что панель ждет ввода трех цифр номера ячейки программирования.
2. Введите три цифры номера ячейки программирования, значения в которой вы хотите редактировать.
Индикатор ARMED выключится.
Индикатор READY включится, показывая, что панель ждет ввода информации для программирования выбранной ячейки.
3. Введите нужную информацию для программирования ячейки (например, цифры, HEX данные или переключайте опции).
Примечание: Если номер ячейки введен неправильно, или модуль, к которому относится ячейка, отсутствует, пульт выдаст звуковой сигнал ошибки длительностью 2 секунды.
Полезные сочетания кнопок
Быстрая постановка на охрану
Когда система снята с охраны, наберите [*][0]
Проверка [*][2]
dsc pc585 подключение и программирование
DSC - Factory Reset

Комментарии
Отправить комментарий